风楼阁交友平台,一品楼品凤楼论坛最新消息,一品楼凤qm楼论坛,一品楼免费信息

网站地图

山东竞道光电科技有限公司山东竞道光电科技有限公司

山东竞道光电科技有限公司—— 专注气象监测设备、水文监测设备、农业四情监测设备 ——

全国服务热线 15666889209

负氧离子监测站
竞道光电科技?? 水质浮标站
专注气象 ? 水文 ? 农业环境仪器
浮标水质在线监测站
introduction

浮标水质在线监测站

产品型号:JD-SFA04
市场价格:电议优惠

产品简介:浮标水质在线监测站SFA集数据采集、存储、传输和管理于一体的无人值守的采集系统

相关产品


一、产品简介

1.水质浮漂监测站SFA集数据采集、存储、传输和管理于一体的无人值守的采集系统。它在工农业生产、旅游、城市环境监测、地质灾害、防洪、供水调度、电站水库水情管理等为目的水文自动测报系统;功能强大的上位机软件可远程观测实时水雨情信息,具有数据库、报表、下载等功能,用户还可利用该功能完善的气象软件对记录的数据作进一步的处理分析。

2.SFA04款浮标是由水质传感器(水温、电导率、PH、溶解氧)、数据采集仪、通讯系统、供电系统、整体 支架、水质监测平台六部分组成。同时可扩展氨氮、 浊度、COD等多项水质要素。数据采集仪具有数 据采集、实时时钟、数据定时存储、参数设定和标准2G/4G(GPRS)通信功能。

二、产品特点

1.易部署:各类型探头进行高度集成,安装方便;提供免费云平台服务,系统快速上线;

2.易维护:设备安装后,自行工作即可,无需人工值守,也可以通过远程监控的方式保障设备的正常运行;

3.易扩展:传感器探头均使用统一的通信协议,可以快速对接原设备,快速扩展监测参数;

4.低功耗:设备可以实现低功耗状态下,长时间运行,增加设备使用的便利性;

5.实时性:设备监测到的数据实时传输至云平台,提升环境数据反馈的及时性。


三、技术参数

1. 主体参数


产品名称描述
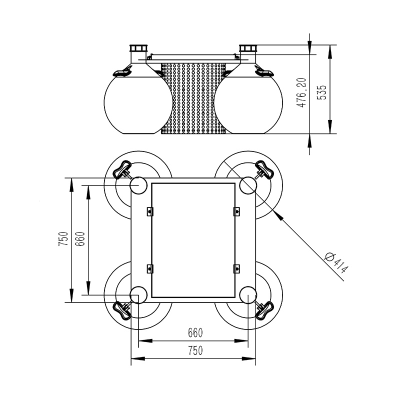
环境水质监测浮标可实时实现多路参数在线监测??墒迪值绯氐缌考嗫亍?墒迪衷破教ㄊ菁嗫亍⑹萃扑?、数据的存储和报警功能;数据的无线发射功能。峰值功耗为 5W;传感器功耗 0.25W左右/只。外形尺寸:750mm*750mm*535mm。浮球直径414mm重量:22kg
采集器数据采集运行可靠,抗干扰,可集成多路RS485/MODBUS-RTU从站设备
采集器数据输出1 路 Rs485/JSON协议输出
电池锂电池 12VDC,20AH(默认)
太阳能电池板22.1V/50W(默认)
供电能力定制选型;阴雨天间歇工作 5天以上
位置指示(选配)警示灯;GPS 定位;
监测平台云平台;手机/电脑多终端登录
防护罩304 不锈钢滤筒防护罩
浮体直径414mm 球形浮体*4工程塑料



2.可选配传感器的主要参数








序号名称测量范围测量原理测量精度是否标配备注
1温度0~50℃高精度数字传感器±0.3℃?
2pH0~14(ph)电化学(盐桥)± 0.1PH?
3ORP-1500mv~1500mv电化学(盐桥)± 6mv

4电导率0~5000uS/cm接触式电极法± 1.5%?
5浊度0~40NTU(低浊)散射光法± 1%
低浊可定制
0~1000NTU(中浊)散射光法± 1%
中浊可定制
0~3000NTU(高浊)散射光法± 1%
默认发
6溶解氧0~20mg/L荧光寿命法± 2%?
7氨氮0-1000.00mg/L(默认)
0-100.00mg/l/(可定制)
离子选择电极法读数的10%, ±0.5℃

8cod0~500mg/ LUV254 吸收法±5%
带有自动清洁器,可防止生物附着,避免光窗污染,以保证长期监测依然具有稳定性;可设置自动清洁时间及清洁次数,功耗0.7W
浊度0~400NTU散射光法± 1%
9悬浮物0~2000mg/L散射光法±5%(取决于污泥同质性)

10叶绿素0~400ug/L荧光法R2>0.999
带有自动清洁器,可防止生物附着,避免光窗污染,以保证长期监测依然具有稳定性;可设置自动清洁时间及清洁次数,功耗0.7W


四、产品尺寸图

五、设备安装要求

1.远离大功率无线电发射源

2.远离高压输电线和微波无线电传送通道

3.尽量靠近数据传输网络

4.远离强电磁干扰


六、云平台介绍

1.CS架构软件平台,支持手机、PC浏览器直接观测.无需额外安装软件。

2.支持多帐号、多设备登录

3.支持实时数据展示与历史数据展示仪表板

4.云服务器.云数据存储,稳定可靠,易于扩展,负载均衡。

5.支持短信报警及阈值设置

6.支持地图显示、查看设备信息。

7.支持数据曲线分析

8.支持数据导出表格形式

9.支持数据转发,HJ-212协议,TCP转发,http协议等。

10.支持数据后处理功能

11.支持外置运行javascript脚本


【相关推荐】